HomeProductsPrimusPhase Protection & Dry Run...3 Phase Over & Under &...PM-019: 3 Phase Over & Und...
PM-019: 3 Phase Over & Under & Phase Breaking Relay With Neutral
DESCRIPTION
• Relays for under/over voltage protection for each of phases
• Over/under voltage can be set using the adjustable knob.
• There is a button to separate the voltage drop between 80 to 95% and the overvoltage between 105 and 120%
• Protect phase loss in one phase or more than one phase. Even if there is back light from the motor (back e.m.f.) while the motor is empty.
• LED display of relay status
• In case model PM-019N (3-phase, 4-wire) if the neutron is missing. Relay will not work.
OPERATION
When connecting the PM-019 to the 3-phase power system when the voltage is present normal (no more than UL set and not lower than set LL) . voltage active all phase Relay contact will work to connect the circuit to load. The LED indicates that the relay is working. If the voltage falls or the power is over and the phase is missing. The relay contact will stop working to cut out the circuit and the LED will go off.
Speciafication

Dimension

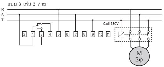
Circuit Diagram

Order Code

Download
DataSheet








