HomeProductsPrimusLevel Switch/Level SensorFloat SwitchLP-04-A/LP-04-B
LP-04-A/LP-04-B
Share
CategoriesFloat Switch, Level Switch/Level Sensor, Primus
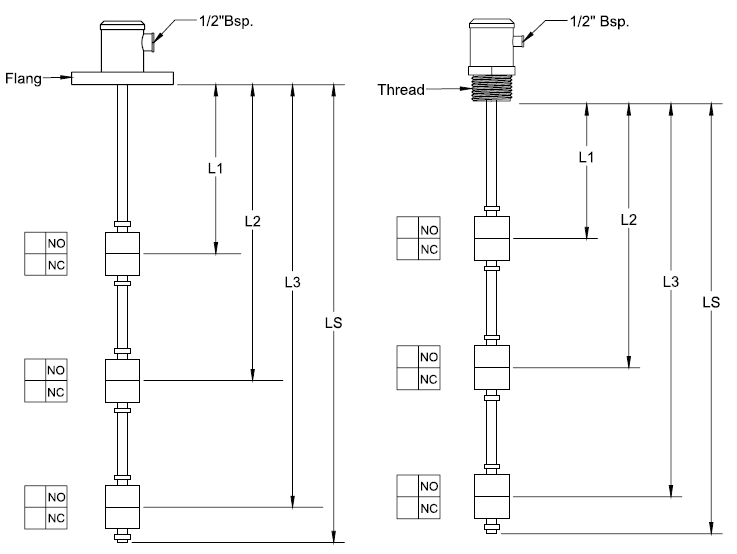
- LP – 04 is a float switch that detects liquid level by changing the contact status of the NO/ NC contacts when the float is moving.
- Up-down by liquid level, Available in both thread and flange mounting,
- Up to 5 work points can be selected or 5 levels, the output is equalto the float number, making the LP- 04 a multi-level liquid level measurement
Product spacification


Dimensions


Circuit Diagram
Order Code

Application
Download
DataSheet (2)







